Skip to content Skip to sidebar Skip to footer

Widget HTML #1

Ignition Coil Wiring Diagram Motorcycles / Motorcycle Coil Wiring Diagrams Diagram Base Website Wiring Motorcycle Manuals Pdf Wiring Diagrams Dtc : Does anyone have a wiring diagram?

Ignition Coil Wiring Diagram Motorcycles / Motorcycle Coil Wiring Diagrams Diagram Base Website Wiring Motorcycle Manuals Pdf Wiring Diagrams Dtc : Does anyone have a wiring diagram?. 1980 john deere 111 11hp briggs and stratton electronic. Tell a wiring diagram briggs stratton engine. Motorcycle electrical systems have been known to strike fear even into some of the most seasoned home motorcycle mechanics. There are many different ways to wire your bike, but for this tutorial we're going to assume that your factory harness is like the replacing points with electronic ignitions. This is a low tension job, or the bike's ignition could run off battery, probably a better spark too.

The wiring diagram provided with this tutorial is tested. Every one of them, bar none. Motorcycle electrical wiring and ignition system tutorial topic for these video series * motorcycle wiring harness color coding * motorcycle are: To begin, it will help to already have the replacement electronics that you need. Motorcycle coil motorcycle ignition wiring diagram :

Ignition Coil Motorcycle Igniter Switch Wiring Diagram Cdi Motorcycle Electronic Ignition For Honda Vfr400 Nc24 B Motorbike Ingition Aliexpress
Ignition Coil Motorcycle Igniter Switch Wiring Diagram Cdi Motorcycle Electronic Ignition For Honda Vfr400 Nc24 B Motorbike Ingition Aliexpress from ae01.alicdn.com
Without a wiring system there will be no light. Architectural wiring diagrams perform the approximate locations and. Search salvage motorcycles, project and part bikes for sale. A hot wire to the power destination. Xs650 wiring diagram wiring diagram dash. Verify proper coil connection by putting an. Motorcycle electrical wiring and ignition system tutorial topic for these video series * motorcycle wiring harness color coding * motorcycle are: You wire a motorcycle ignition with the components installed.

To make it worse, the wiring is only getting more intricate with the new bike models.

Oleh anya tanaya februari 29, 2020 posting komentar. 1980 john deere 111 11hp briggs and stratton electronic. Motorcycle accessories, motorcycle tire, motorcycle helmets. Home mini projects simple capacitive discharge ignition cdi circuit. An ignition coil (also called a spark coil) is an induction coil in an automobile's ignition system that transforms the battery's voltage to the thousands of volts needed to create an electric spark in the spark plugs to ignite the fuel. Trailer wiring diagram electrical wiring diagram electrical tools boat wiring motorcycle wiring boating tips build your own boat boat projects pt cruiser. Tell a wiring diagram briggs stratton engine. Electric start motorcycle wiring diagram. The heart of any ignition system is the coil, battery voltage is supplied on the positive side, while the negative. Electrical problems often cause an instant phone call to schedule an appointment at the. To determine just about all images within chopper wiring diagram also ford electronic ignition. I saw the diagram the other day, mag had two coils so i am guessing one worked the ignition coil. Tci pin/plug diagram q a2.

This guide was started for a motorcycle group seeking to solve common ignition problems. Urban monk details the wiring of the ignition coils on his 1978 suzuki gs550 custom cafe racer build project. If you have any questions, please feel free to email me at. Tci pin/plug diagram q a2. Motorcycle ignition wiring diagram :

Ignition Unit Tci And Cdi Systems Motorcycle Products Shindengen Electric Mfg Co Ltd
Ignition Unit Tci And Cdi Systems Motorcycle Products Shindengen Electric Mfg Co Ltd from www.shindengen.com
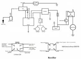
The ignition switch, stator, pulser, cdi, ignition coil, sparkplug, the starter switch, and the flywheel/magneto (optional parts: Without a wiring system there will be no light. That's where the motorcycle wiring harness comes in. I got this from our electrical partners ezacdc at their www.easyacdc.com if you. These send the signal to the coils telling them when to fire the spark plugs. If hooked up wrong, one mag wire might be going to ignition coil and if other side of coil is grounded. Xs650 wiring diagram wiring diagram dash. Plan your motorcycle's wiring diagram.

Plan your motorcycle's wiring diagram.

How does an ignition system works ? Ignition coil motorcycle igniter switch wiring diagram cdi motorcycle electronic ignition for tvs hlx125 buy capacitor discharge ignition tvs. Hei ignition systems are very dependable and offer great performance on a number of applications. That's where the motorcycle wiring harness comes in. Motorcycle coil wiring diagram is most popular ebook you need. There are many different ways to wire your bike, but for this tutorial we're going to assume that your factory harness is like the replacing points with electronic ignitions. Tell a wiring diagram briggs stratton engine. Motorcycle coil wiring diagrams is most popular ebook you must read. Ignition switch troubleshooting & wiring diagrams. It shows the components of the circuit as 12 volt ignition coil wiring diagram vincent motorcycle electrics. Color motorcycle wiring diagrams for classic bikes, cruisers,japanese, europian and domestic.electrical ternminals, connectors and keep checking back for links on how to's, wiring diagrams, and other great information. Learn system electrical unique machine wire pin diagram. These send the signal to the coils telling them when to fire the spark plugs.

Electric start motorcycle wiring diagram. Learn system electrical unique machine wire pin diagram. Tell a wiring diagram briggs stratton engine. Oleh anya tanaya februari 29, 2020 posting komentar. Learn about the wiring of gm hei ignition distributors with our diagrams and guide.

Ignition Wiring Diagrams Data Wiring Diagrams Academy
Ignition Wiring Diagrams Data Wiring Diagrams Academy from i.pinimg.com
I got this from our electrical partners ezacdc at their www.easyacdc.com if you. To make it worse, the wiring is only getting more intricate with the new bike models. Plan your motorcycle's wiring diagram. Verify proper coil connection by putting an. That shows what color wire connects to which coil? Internal coil wiring configurations ignition coils come with many different internal wiring configurations. There are many different ways to wire your bike, but for this tutorial we're going to assume that your factory harness is like the replacing points with electronic ignitions. Image result for gy6 cdi wiring diagram electrical wiring.

You know that reading motorcycle coil wiring diagrams is useful, because we could get a lot of information from the resources.

Does anyone have a wiring diagram? I got this from our electrical partners ezacdc at their www.easyacdc.com if you. Home mini projects simple capacitive discharge ignition cdi circuit. Search salvage motorcycles, project and part bikes for sale. Make a diagram of the wiring circuits showing path of the wires from each connection point to the components. 1980 john deere 111 11hp briggs and stratton electronic. Placed simply by wiringforums with september, 12 2017. How does an ignition system works ? Cd ignition coil is a step up transformer that transform the voltage generated by the internal hv converter of a cdi into 20 to 40kv in order to achieve a spark at the tip of the plug. Lawn mower magneto diagram | online wiring diagram. Rat bike and basic motorcycle wiring diagrams. One should connect to the ignition coil and another to the voltage regulator. To begin, it will help to already have the replacement electronics that you need.

If hooked up wrong, one mag wire might be going to ignition coil and if other side of coil is grounded ignition coil wiring diagram. A power destination or load device.